WildCat FM /technical station.
underground laboratory. of a station technical director
oversampllng digtal switching MPX

 

generated by x20 oversampllng digtal switching wave form

 

This page produce incomplete sentence lack mountain provide the see.

The modulator of the stereo of FM has an analogue and a digital method now.
 
The signal is promoted in digital form by DSP , for example, ORBAN and APHEX 2020, and it is composed of combinations with the comp limiter. Because the omitted circuit composition of the switching method classified into the phase method and the switching method can be extremely simplified in an analog modulator, it is known generally by the transmitter etc. such as mini-FM. These two kinds of analog modulators are respectively the weak point and the merit, and pursue the subject by the method because development system SW of the switching method this time.
 

It is a timing chart of switching method MPX that it wants you to see figure below. The input audio signal is cut by the switching signal of 38KHz and when the pilot signal two dividing the switching signal of 38KHz is mixed with this that becomes a timesharing signal, the Stereocompoget signal is completed.


However, the filtering processing is not done as for this signal and FM cannot modulate as it is because it contains a lot of harmonic components and the distortions. A lot of harmonic components and the distortions expand the occupation band of the electric wave when FM modulates as it is, modulation Spria is scattered in FM band, and the worst result is brought.
 

This method is a considerably rough way when seeing by thinking. In the signal that SW is done, because a square wave (It is called short Cataha) is an extreme shape of waves like hardening of the distortion, the influence on tone quality and the distortion, etc. is strapping translations in the following processing.
 
 

MPX signal modulated without filtering processing

The MPX signal and the pilot signalIt becomes a clean signal after it is appropriate of doing the filtering processing and it is synthesized.
 

 
MPX signal that beautifully is promoted and modulated because of appropriate filtering processing
 
 

Appropriate filtering processing of the timesharing signal cut with 38KHz The problem of the phase etc. is closely related, too and it is extremely difficult... It is the maximum fault of the switching method.
 
 
 


This is over digital sampling by develop the modulator of the switching method MPX experiment.
 

The thing beautifully done was necessary, existed by filtering and having processed the signal cut with 38KHz up to now, it reviews from a basic place, and the method of bringing the timesharing signal cut with this 38KHz close to the first, ideal sine wave signal is this over sampling MPX.
 

When the number of sampling made an attempt of various verifications making the chart before the experiment is little, interest is reduced by half, too.
 

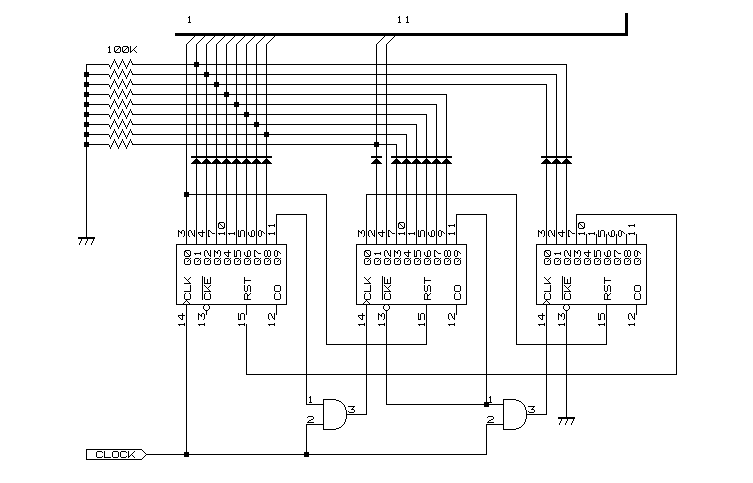
Because about 16 times are handy, is it good? 'Was it thought about the composition of logic, and do it record a gain in numbers though it seemed to be the method . brandishing.. smart and good because the binary coded decimal code is sent with 4051 45 10 ups and downs counter because a lot of stones are used to switch the ups and downs counter when stone (IC) is composed and it sees? 7or8 IC composition?

4017 of the decimal Johnson counters is connected in the cascade, and as another method, when it is a way that increases the number of channels, and it is this, it is possible to do by 5 pieces or 6 pieces by 16 times, and the number of stones thinking about ....

When three 4017 is done to the cascade doing and the thing turned round and round in the cascade, 4017 can be turned from a stone on hand by 9+8+8 by 25 channels ... If it sends to 4066 and the partial pressure is processed, it is possible to do now. !! Having suitably made to made thing by nine channels (unit) may ...in 16 time sampling, and completion of ..that not is of written nature such as drawings immediately because 4066 of partial pressures only has to have the channel between wavy P-P. such a circuit

Having completed is 20 time over sampling MPX to differ from the plan. One where the number is a lot of because it is an experiment is .. interest.. accompaniment, and translation.

The clock part is not produced because it is an experiment this time and 38 KHz*20=760KHz is sent from the Paljene substrate made in experimental use in old times to the test substrate as a clock.
 

I can have sampled 22 times over too it was to compose Touac and this stone. warttegomakase!
 
 
 
 

When DC is stored in 4066 partial pressure circuits and COM-OUT of TP-1 is seen with Oshiro temporarily....Ortsu.

It moves well.

 
 

It is unlimited and is a sine wave though it is a pressure circuit to the extent that it makes it from a negligent calculation. Because the monkey can make it if there is no contradiction, a laughter digital circuit lacks interest. ki-ki-saru!
 

Naturally, are 20 numbers of dots that compose the shape of waves and 1 wave of 38KHz the same 'titles in the place where it is natural is mentioned by sampling CD the reproduction of the sound in the vicinity of 2.2KHz..?
 


 

Let's produce the MPX signal with Chotsu suddenly making the input of L-CH and R-CH though it is rash. The MPX signal time-shared by sampling over 20 times coming haha ..going out...
 

 
generated by x20 oversampllng digtal switching MPX

Because the filtering processing is not done naturally, generated by x20 oversampllng digtal switching MPX looks the sampling dot like stripes in the image of oscilloscop.


 
 

It is a signal where this the subcareer signal each one of 38KHz is made from a digital over sampling.
 

 
generated by x20 oversampllng digtal switching MPX

 

I think that it understands well when expanding. It is a signal differing from one rough timesharing signal cut by the signal of 38KHz that is unlimited and near the sine wave.
 

generated by x20 oversampllng digtal switching MPX

 
 

Because extreme filtering processing of one cutting signal of 38KHz is not needed, it seems that the problem of the phase is reduced, too.
 
 
 

 
A simple filter disappears the sampling dot, and becomes an extremely clean signal wave form. If an appropriate I/O circuit and the filter are put, it is thought that a considerably efficient over sampling stereo MPX modulator can be done ....
 
 

 
 
 
 

It is excellent though various tests were done because 20 time over sampling MPX was completed temporarily.

However, 20 times are excess ...It is product of not practical the self-satisfactory made in feelings after what...(Wara

It is not practicable and the sound of the modulator doesn't improve even if the number of samples is increased to the dark cloud though it is good if it is an experiment.

It will search for an effective number of samples to put the circuit to practical use and it see.
 

The circuit decided to be remodeled, to lower sampling, and to see. First of all, 18 time over sampling
 

 
generated by x18 oversampllng digtal switching MPX

There is not a problem though it saw through the filter tested when 20 times are sampled either.
 


And 16 time over sampling
 

 
generated by x16 oversampllng digtal switching MPX
 
A signal clean though as many as four numbers of sample dots decreased compared with 20 comes out.
 

The rat-tat circuit collapses because of the verification because this is experiment Herr though the MPX circuit of the over sampling 20 times with great pains might be regrettable for the desire because it completed when it wants you to make the modulator.

14 time over sampling

 
generated by x14 oversampllng digtal switching MPX
 

Sample number decrease circuit destroy how become next time..experiment Herr wait.
 
 
 

Please be incomplete, and wait even for the completion that is like the mountain like the lack of sentences etc. for a while about this page while producing.

WEB PAGE hastily in and the translation ...To the report though it is still incomplete. It is Wara from the design production of the circuit however that times time how many hang making WEB PAGE..coming...! (wa

 
 
 
 
 
 

document of saeki by WildCat FM /technical station.

 

 
 
 
 
 

jumps to the top page. returns on the previous page.  

 
2003/06/14 last modified on 2005/10/14